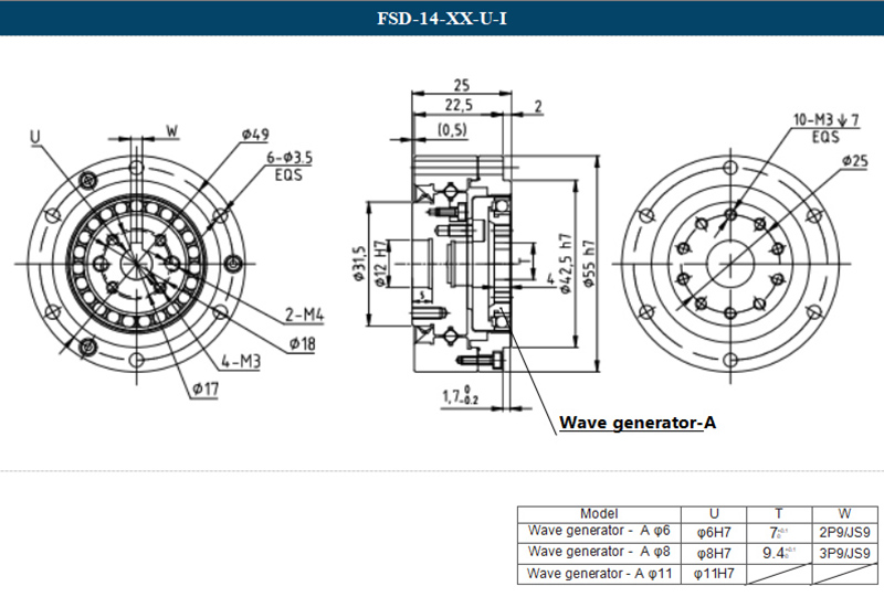
FSD series
This miniaturised product was developed according to the marketing demand.
Compared with the FSS series, which has the same torque capacity, the FSD series is more compact and thin-walled smaller size.
This miniaturised product was developed according to the marketing demand.
Compared with the FSS series, which has the same torque capacity, the FSD series is more compact and thin-walled smaller size.


| Model | Reduction ratio | Rated torque at 2000r/min input | Permissible peak torque at start and stop | Permissible maximum value for average load torque | Permissible maximum momentary torque | Permissible maximum input rotational speed | Permissible average input rotational speed | Backlash | Weight | Design life | ||||
|---|---|---|---|---|---|---|---|---|---|---|---|---|---|---|
| Grease | Grease | |||||||||||||
| Nm | kgfm | Nm | kgfm | Nm | kgfm | Nm | kgfm | r/min | r/min | Arc Sec | kg | Hour | ||
| 14 | 50 | 3.7 | 0.38 | 12 | 1.2 | 4.8 | 0.49 | 24 | 2.4 | 8500 | 3500 | ≤20 | 0.37 | 9000 |
| 80 | 5.4 | 0.55 | 16 | 1.6 | 7.7 | 0.79 | 35 | 3.6 | 10000 | |||||
| 100 | 5.4 | 0.55 | 19 | 1.9 | 7.7 | 0.79 | 35 | 3.6 | 10000 | |||||
| 17 | 50 | 11 | 1.1 | 23 | 2.3 | 18 | 1.8 | 48 | 4.9 | 7300 | 3500 | ≤20 | 0.46 | 9000 |
| 80 | 15 | 1.5 | 29 | 3 | 19 | 1.9 | 61 | 6.2 | 10000 | |||||
| 100 | 16 | 1.6 | 37 | 3.8 | 27 | 2.8 | 71 | 7.2 | 10000 | |||||
| 20 | 50 | 17 | 1.7 | 39 | 4 | 24 | 2.4 | 69 | 7 | 6500 | 3500 | ≤20 | 0.65 | 9000 |
| 80 | 24 | 2.4 | 51 | 5.2 | 33 | 3.4 | 89 | 9.1 | 10000 | |||||
| 100 | 28 | 2.9 | 57 | 5.8 | 34 | 3.5 | 95 | 9.7 | 10000 | |||||
| 25 | 50 | 27 | 2.8 | 69 | 7 | 38 | 3.9 | 127 | 13 | 5600 | 3500 | ≤20 | 1.2 | 9000 |
| 80 | 44 | 4.5 | 96 | 9.8 | 60 | 6.1 | 179 | 18 | 10000 | |||||
| 100 | 47 | 4.8 | 110 | 11 | 75 | 7.6 | 184 | 19 | 10000 | |||||
| 32 | 50 | 53 | 5.4 | 151 | 15 | 75 | 7.6 | 268 | 27 | 4800 | 3500 | ≤20 | 2.4 | 9000 |
| 80 | 83 | 8.5 | 213 | 22 | 117 | 12 | 398 | 41 | 10000 | |||||
| 100 | 96 | 9.8 | 233 | 24 | 151 | 15 | 420 | 43 | 10000 | |||||
| Transmission accuracy | |||||
| Type \Reduction ratio | 14 | 17 | 20 | 25 | 32 |
| above 50 | 1.5 | 1.5 | 1.5 | 1 | 1 |
| Hysteresis loss | |||||
| Type \ Reduction ratio | 14 | 17 | 20 | 25 | 32 |
| 50 | 2.5 | 2 | 2 | 2 | 2 |
| above 80 | 1 | 1 | 1 | 1 | 1 |
| Torsional stiffness | |||||||
| Project | Type \ Unit | 14 | 17 | 20 | 25 | 32 | |
| T1 | N·m | 2 | 3.9 | 7 | 14 | 29 | |
| T2 | N·m | 6.9 | 12 | 25 | 48 | 108 | |
| Reduction 50 |
K1 | × 104 N·m/rad | 0.29 | 0.67 | 1.1 | 2 | 4.7 |
| K2 | × 104 N·m/rad | 0.37 | 0.88 | 1.3 | 2.7 | 6.1 | |
| K3 | × 104 N·m/rad | 0.47 | 1.2 | 2 | 3.7 | 8.4 | |
| Reduction ratio above 80 |
K1 | × 104 N·m/rad | 0.4 | 0.84 | 1.3 | 2.7 | 6.1 |
| K2 | × 104 N·m/rad | 0.44 | 0.94 | 1.7 | 3.7 | 7.8 | |
| K3 | × 104 N·m/rad | 0.61 | 1.3 | 2.5 | 4.7 | 11 | |
Industrial Robot
Service Robots
Medical Devices
Analysis,Test Equipment
Energy Related Equipment
Papermaking Equipment
Frequently Asked Questions