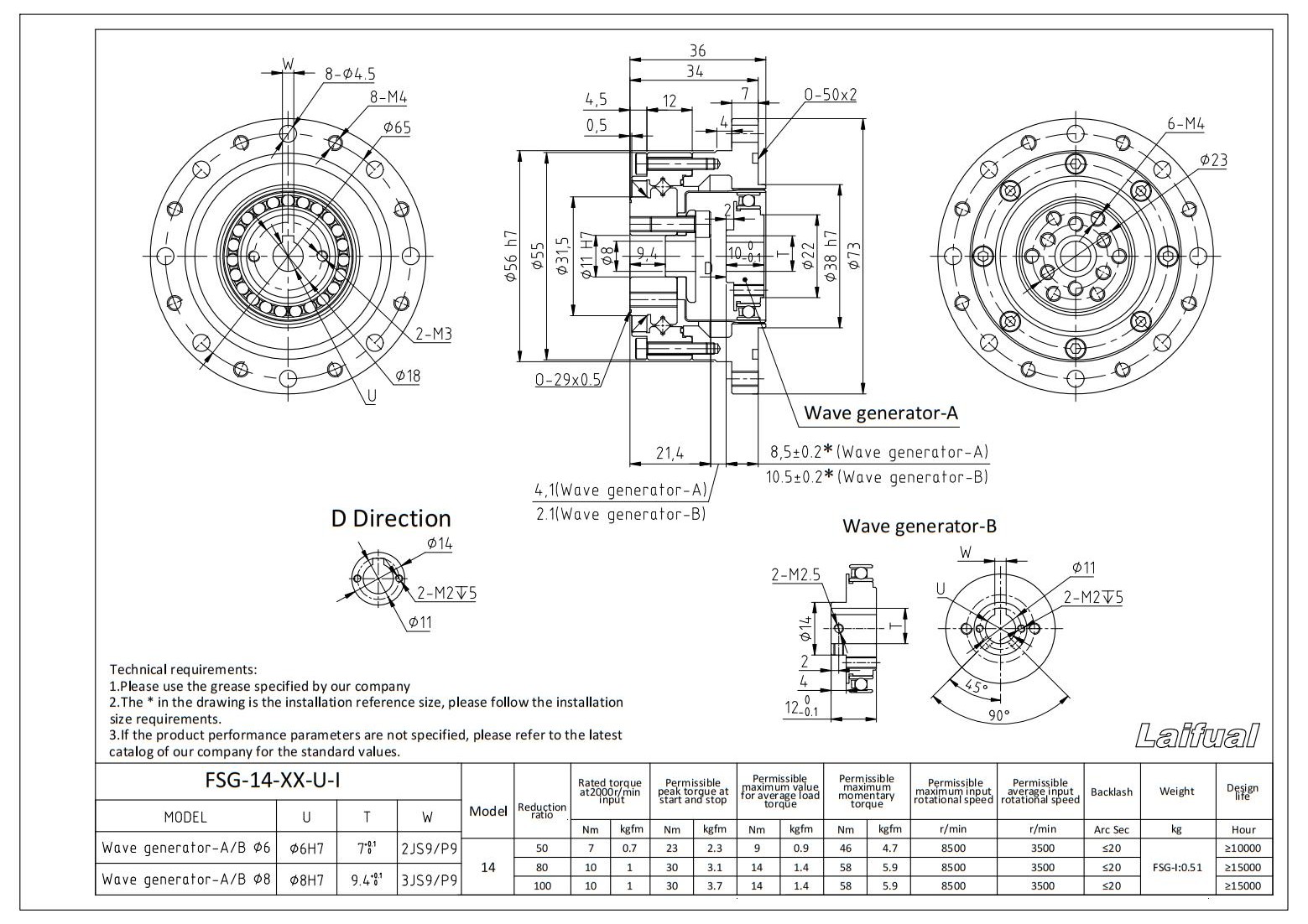
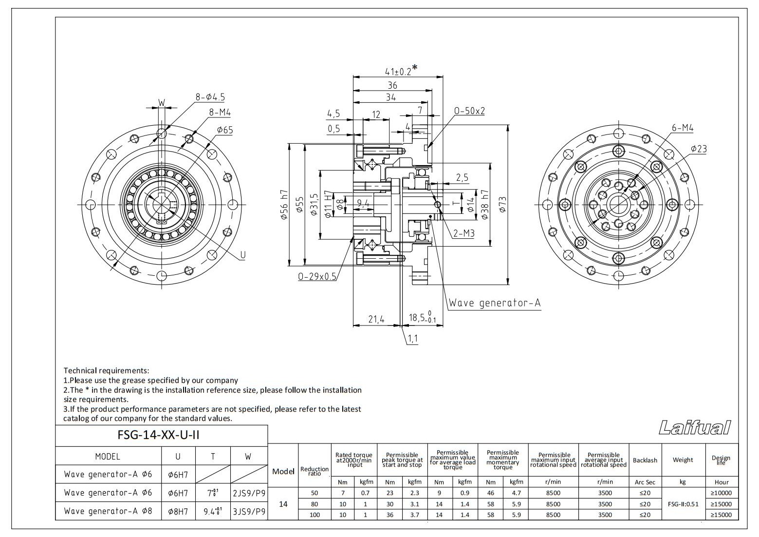
The FSS series harmonic reducer unit is a high-precision gear reduction solution consisting of three core components: the cup-type flexspline, circular spline, and wave generator. Its compact and lightweight structure makes it ideal for applications where space and weight constraints are critical, such as robot joints, precision automation, medical devices, and aerospace systems.









